Liquid Projects
Our Project team has acquired a vast amount of experience working with multiple machines in the liquid industry

Our Project team has acquired a vast amount of experience working with multiple machines in the liquid industry

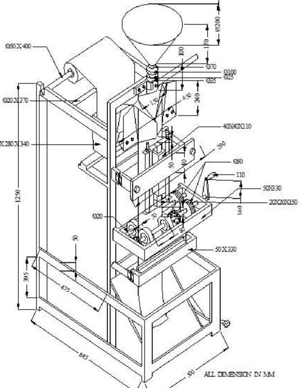
Automation Republic did a complete overhaul of the fill, form, and seal machines' mechanical parts. After years in use, the mechanical parts of the machine have worn out. We improved the system by installing components that are independent of one another.
The old machine functioned with belts and chains all dependent on one another, now our upgrade has changed that. These components also make it easier for repairs and servicing, as they can be removed individually.
The new motors are B&R Servo motors that effortlessly communicate through the PLC to perform the specified task.






A machine's mechanics being changed this drastically, especially to electronic motors, requires reprogramming and a new interface. We used a B&R Servo drive to communicate the instructions from the PLC to the servo motors. A B&R CP0484 PLC is used to control, read, and write all information. The Fill, Form, and Seal machine can be controlled through the HMI. In addition, Automation Republic also rewired the control board for the client.
This machine was originally built in Denmark.
Shipped to us in South Africa and completed by Automation Republic, we rebuilt the control system and did some mechanical modifications.
Machines had obsolete equipment and were becoming problematic for the customer. We were tasked to provide a solution for the customer. We determined which hardware needed to be replaced and what could still be used. We provided the customer with an upgrade solution that required using both existing and new hardware. The machine needed to be reprogrammed and the new hardware installed. We successfully upgraded the machine and received a comment from the customer stating that the machine worked even better than it originally did. They were very impressed with the outcome.


